鋰電池保護板常用MOS管型號、基本知識詳解及應用領域、工作原理等介紹-KIA MOS管
信息來源:本站 日期:2018-08-14
鋰電池主要由兩大塊構成,電芯和保護板PCM(動力電池一般稱為電池管理系統BMS),電芯相當于鋰電池的心臟,管理系統相當于鋰電池的大腦。電芯主要由正極材料、負極材料、電解液、隔膜和外殼構成,而保護板主要由保護芯片(或管理芯片)、MOS管、電阻、電容和PCB板等構成。
鋰電池可以分成兩個大類:一次性不可充電電池和二次充電電池(又稱為蓄電池)。
不可充電電池如鋰二氧化錳電池、鋰-亞硫酰胺電池。
二次充電電池又可以分為下面根據不同的情況分類。
1. 按外型分:方形鋰電池(如普通手機電池)和圓柱形鋰電池(如電動工具的18650);
2. 按外包材料分:鋁殼鋰電池,鋼殼鋰電池,軟包電池;
3.按正極材料分:鈷酸鋰(LiCoO2)、錳酸鋰(LiMn2O4)、三元鋰(LiNixCoyMnzO2)、磷酸鐵鋰(LiFePO4);
4. 按電解液狀態分:鋰離子電池(LIB)和聚合物電池(PLB);
5. 按用途分:普通電池和動力電池。
6. 按性能特性分:高容量電池、高倍率電池、高溫電池、低溫電池等。
一般鋰電池參數范圍是在:50A 30V,90A 30V,110A 40V,160A 60V。
(KIA原廠直銷系列MOS管國內合作客戶,拓邦,德賽,欣旺達,力通威等保護板廠家鋰電池由于其本身特性決定不能過充、不能過放、不能過流、不能過溫,因此考慮安全性和電池壽命,電池要做好相關保護。有幾個參數是經常碰到的,一并列出來。電壓情況不同廠商差異不大,工作溫度和放電倍率不同的電池或不同的廠家會有一些差異。
電池主要應用在消費類產品、數碼類產品、動力產品、醫療和安防等。

鋰在元素周期表上第3位,外層電子1個,容易失去形成穩定結構,所以是非常活潑的一種金屬。而鋰離子電池具有放電電流大、內阻低、壽命長、無記憶效應等被人們廣泛使用,鋰離子電池在使用中嚴禁過充電、過放電、短路,否則將會使電池起火、爆炸等致命缺點,所以,在使用可充鋰電池都會帶有一塊保護板來保護電芯的安全。

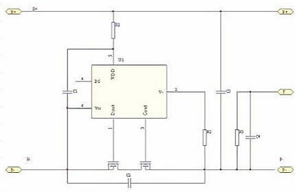
保護板有兩個核心部件:一塊保護IC,它是由精確的比較器來獲得可靠的保護參數;另外是MOSFET串在主充放電回路中擔當高速開關,執行保護動作。電路原理圖如下:

下面介紹:鋰電池保護板主要由維護IC(過壓維護)和MOS管(過流維護)構成,是用來保護鋰電池電芯安全的器材。鋰電池具有放電電流大、內阻低、壽數長、無回憶效應等被人們廣泛運用,鋰離子電池在運用中禁止過充電、過放電、短路,不然將會使電池起火、爆破等喪命缺陷,所以,在運用可充鋰電池都會帶有一塊維護板來維護電芯的安全。
1、電壓保護能力
過充電保護板:保護板有必要具有防止電芯電壓超越預設值的才干過放電維護:保護板有必要具有防止電芯電壓底于預設值的才干。
2、電流能力
保護板作為鋰電芯的安全保護器材,既要在設備的正常作業電流規模內,能可靠工作,又要在當電池被意外短路或過流時能迅速動作,使電芯得到保護。
3、導通電阻
定義:當充電電流為500mA時,MOS管的導通阻抗。
由于通訊設備的工作頻率較高,數據傳輸要求誤碼率低,其脈沖串的上升及下降沿陡,故對電池的電流輸出能力和電壓穩定度要求高,因而保護板的MOS管開關導通時電阻要小,單節電芯保護板通常在70mΩ,如太大會導致通訊設備作業不正常,如手機在通話時突然斷線、電話接不通、噪聲等現象。
4、自耗電流
定義:IC作業電壓為3。6V,空載狀況下,流經保護IC的作業電流,一般極小。
保護板的自耗電流直接影響電池的待機時刻,通常規則保護板的自耗電流小于10微安。
5、機械功能、溫度適應能力、抗靜電能力
保護板有必要能通過國標規則的轟動,沖擊實驗;保護板在40到85度能安全工作,能經受±15KV的非觸摸ESD靜電測驗。
KIA半導體專業生產MOS管場效應管廠家(國家高新技術企業)成立于2005年,公司成立初期就明確立足本市場,研發為先導,了解客戶需求,運用創新的集成電路設計方案和國際同步研發技術,結合中國市場的特點,向市場推出了BIPOLAR,CMOS,MOSSFET等電源相關產品,產品的穩定性,高性價比,良好的服務,以及和客戶充分的技術,市場溝通的嚴謹態度.
Part Numbe
ID(A)
VDSS(v)
RDS(Ω)(MAX)
RDS(Ω)(TYP)
ciss
pF
KIA2803A
150
30
0.003
0.0022
4050
KIA100N03A
90
30
0.005
0.0041
2200
KIA50N03A
50
30
0.009
0.0065
1180
KIA2806A
160
40
0.0045
0.0035
4376
KNB3306B
80
60
0.008
0.007
3080
KIA3204A
90
40
0.005
0.0038
3250
KIA2910N
130
100
0.009
0.007
6800
KNB3308A
80
80
0.09
0.0062
3110
KNB2906A
130
60
0.007
0.0055
3100
聯系方式:鄒先生
聯系電話:0755-83888366-8022
手機:18123972950
QQ:2880195519
聯系地址:深圳市福田區車公廟天安數碼城天吉大廈CD座5C1
請搜微信公眾號:“KIA半導體”或掃一掃下圖“關注”官方微信公眾號
請“關注”官方微信公眾號:提供 MOS管 技術幫助